The common modes of lasers are divided into 4 main modes, which are as follows
- Mode 1 Internal control with suppression of the first pulse and indication light.
- Mode 2 Internal control with no suppression of the first pulse and no indication light.
- Mode 13 External control with suppression of the first pulse and indication of the light.
- Mode 15 External control with first pulse unsuppressed and no indicator light.

At the same time, in internal control mode, we can also invert the output level of the laser through the serial command GTR=1, so that the GATE interface can output light at high level and turn off light at low level.
[i] Low level is defined as 0-0.4V.
[ii] High level is defined 3.7-5V
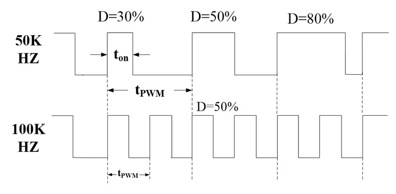
Under the external control mode, the factory default of the laser is to receive the PWM signal at the TRIG interface terminal that is out of the light, and in the case of a constant frequency of the PWM signal, the greater the duty cycle, the greater the output power of the laser. In addition, it must be ensured that the TRIG interface terminal is kept low under the no-light state.
At the same time, the external control mode can also be commanded through the serial interface PTR=1 for PWM signal high and low level duty cycle inversion, into the PWM signal duty cycle, the greater the output power of the laser is smaller. In addition, it must be ensured that the TRIG interface terminal is kept high under the no-light state.
The first pulse and the indication light of the laser are in the relationship of one and the other, for example, under MOD13, there is indication light, but the first pulse is the smallest, while under MOD15, there is no indication light, and the first pulse is the largest.







